Подать статью
Стать рецензентом
Том 277
Страницы:
81-93
Скачать том:
RUS ENG
Научная статья
Энергетика

Оценка параметров надежности схем цехового электроснабжения горных предприятий с однотрансформаторными подстанциями при различных способах их резервирования

Авторы:
Р. М. Петрова1
Е. И. Грачева2
Об авторах
  • 1 — аспирант Казанский государственный энергетический университет ▪ Orcid
  • 2 — д-р техн. наук профессор Казанский государственный энергетический университет ▪ Orcid
Дата отправки:
2025-01-31
Дата принятия:
2025-07-02
Дата публикации онлайн:
2025-12-23
Дата публикации:
2026-02-27

Аннотация

С усложнением электротехнического оборудования горных предприятий актуализируются разработка и исследование способов повышения надежности технических устройств, входящих в систему электроснабжения. Статья посвящена оценке параметров надежности схем участков цеховых сетей горных предприятий с однотрансформаторными подстанциями 10 и 0,4 кВ и различными способами их резервирования. Цель исследования – проведение оценки параметров надежности различных способов резервирования схем электроснабжения объектов с трансформаторными подстанциями на среднем и низком напряжении (СН и НН) относительно электропотребителей распределительного устройства низкого напряжения горно-добывающих предприятий. Объектом исследования является система электроснабжения цеха вспомогательного производства горно-добывающего предприятия (Кемерово). В работе исследуются параметры надежности участков сети – вероятность безотказной (исправной) работы P(t), вероятность появления отказа Q(t), параметр потока отказов ωсхемы и время наработки на отказ Тнар.отк для следующих вариантов схем: без резервирования; с резервированием на СН; с резервированием на НН; с двойным резервированием (на СН и НН). Данные расчетов показывают, что время наработки на отказ для схемы без резервирования в 2,04 и в 2,11 раз меньше, чем для схем с резервированием на НН и на СН соответственно, и в 2,8 раз меньше, чем для схемы с двойным резервированием. Резервирование является технически и экономически обоснованным методом повышения параметра P(t) системы электроснабжения объекта. Полученные результаты могут быть интегрированы в проектирование систем электроснабжения объектов (для оптимизации структурной схемы и выбора рационального способа резервирования элементов); разработку программ технического обслуживания (для формирования обоснованных регламентов технического обслуживания и ремонтов); создание систем мониторинга надежности (для организации непрерывного контроля текущего состояния оборудования цехов горных предприятий).

Область исследования:
Энергетика
Ключевые слова:
горное предприятие цех петлевая схема кольцевая схема логическая схема надежности параметр потока отказов время наработки на отказ резервирование двойное резервирование
Финансирование:

Отсутствует

Перейти к тому 277

Введение

С усложнением технологического и электротехнического оборудования горных предприятий актуальными вопросами становятся разработка и исследование способов повышения надежности технических устройств, входящих в систему электроснабжения (СЭС). Оценка надежности работы оборудования СЭС может проводиться как на ранних этапах (проектирование, реконструкция), так и после ввода оборудования в эксплуатацию [1-3]. Необходимым условием для получения достоверных результатов расчета параметров надежности является соблюдение соответствия методической и информационной погрешностей [4]. Известно, что элементы электрооборудования СЭС цехов горных предприятий могут быть как восстанавливаемыми после отказа, так и невосстанавливаемыми [5].

Обеспечение надежности и безотказности работы электроустановок достигается при соблюдении регламентированных условий хранения, нормальных режимов эксплуатации, а также требований технического обслуживания и ремонта [6, 7].

Актуальность проблемы обусловлена постоянным ростом электропотребления горно-промышленных предприятий и усложнением структурно-топологических характеристик СЭС, что проявляется в увеличении количества элементов схемы и усложнении функциональных взаимосвязей между ними. Это создает предпосылки для разработки новых методик расчета надежности сложных многосвязанных систем [8, 9]. В частности, исследование [10] посвящено анализу основных параметров надежности и технико-экономических показателей электрооборудования промышленных объектов Казани.

Методические основы анализа надежности электротехнических комплексов применительно к узлам нагрузки включают разработку алгоритмов определения вероятностей возникновения отказов и безотказного функционирования системы [11-13]. С усложнением структурных взаимосвязей между элементами традиционные методы преобразования расчетных схем в последовательно-параллельные или параллельно-последовательные конфигурации становятся неприменимыми [14-16].

Определенные особенности характерны для схем типов «мостик» [17] и «двойной мостик», для которых не действуют правила преобразования последовательно-параллельных или параллельно-последовательных схем надежности. Для таких случаев требуется применение специальных методов анализа, включая логико-вероятностные методы, теорию графов и матричные методы расчета, численное моделирование методом Монте – Карло [18, 19]. Перспективным направлением является разработка комбинированных алгоритмов, сочетающих аналитические подходы и математическое моделирование, что особенно актуально для сложных многоуровневых СЭС горно-добывающих предприятий.

Развитие оборудования электрических систем требует повышения надежности электрооборудования и СЭС в целом [20], что достигается совершенствованием методов проектирования с использованием программных комплексов, а также разработкой новых видов электроустановок. Исследование причин отказов и дефектов низковольтной аппаратуры горно-добывающих предприятий показывает, что ~ 40-45 % общего количества отказов происходит от ошибок, допущенных при проектировании, 20 % от ошибок при производстве, 30 % от тяжелых условий эксплуатации и недопустимых режимов работы или неправильного обслуживания, ~ 5-7 % от естественного износа и старения оборудования [9, 21].

Приводятся методы оценки параметров надежности однотрансформаторных подстанций: разработка модели системы с учетом согласования экономических показателей и характеристик отказов [22, 23]; метод оценки надежности электроснабжения потребителей, позволяющий управлять качеством электроэнергии на основе данных состояния оборудования сети [24]; метод количественной оценки рисков потери электропитания потребителей с использованием Байесовских сетей, на основе которого устанавливаются показатели, влияющие на надежность энергосистемы [25]; реализация автоматической блокировки распределительной сети по числу оптимизации узлов и исследование надежности электроснабжения распределительной сети по блокам [26]; создание комплексной модели управления надежностью для точного прогнозирования поведения энергосистемы [27]; оптимизация регламентов технического обслуживания СЭС с исследованием параметров надежности элементов распределительных сетей [28, 29]; статистический метод оценки надежности энергосистемы для учета условий работы с использованием моделирования Монте – Карло и формированием вероятностных моделей надежности [30, 31].

Энерго- и ресурсосбережение являются одними из приоритетных задач [32, 33] при управлении энергоемким горным производством. Мероприятия, способствующие повышению энергоэффективности и энергосбережения, внедряемые в СЭС горно-добывающих предприятий [34, 35], можно условно разделить по направлениям: электрические сети; электрический привод; контроль и учет электропотребления [36, 37].

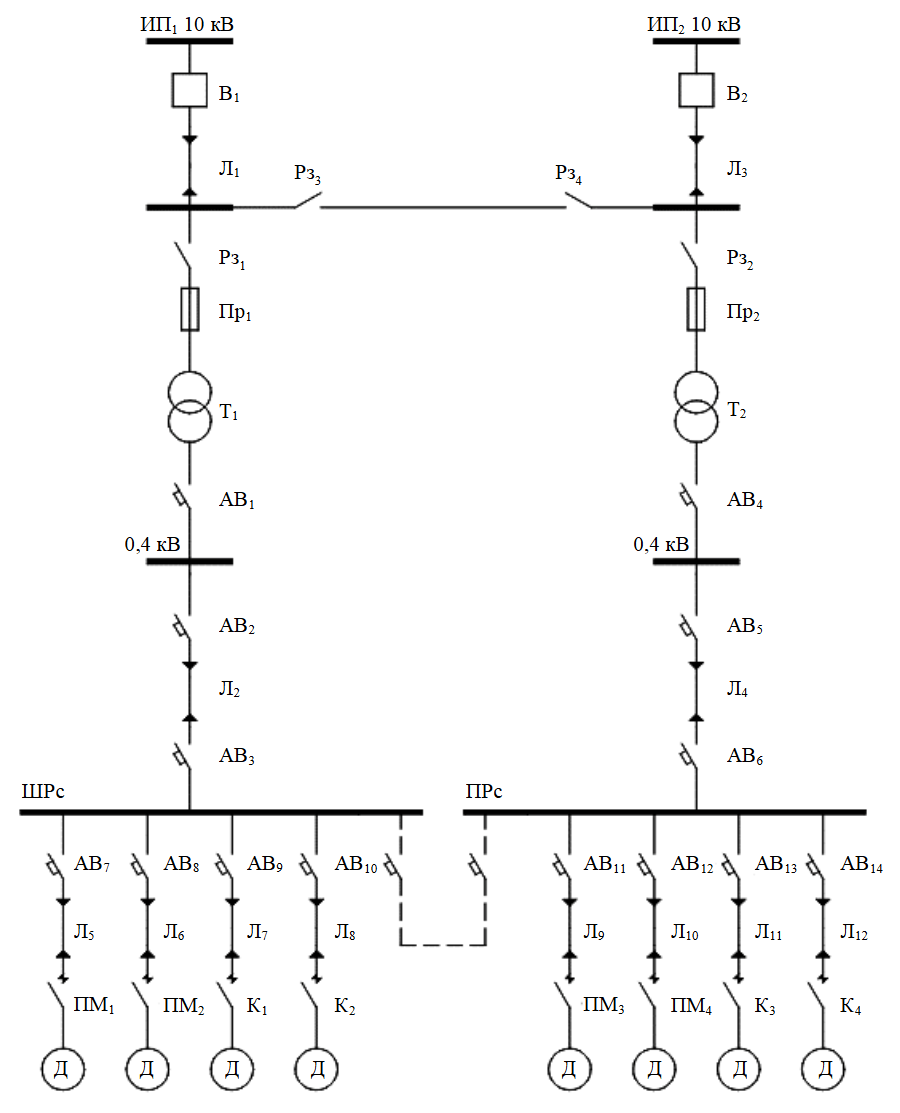
Цель исследования заключается в проведении оценки параметров надежности различных способов резервирования схем в СЭС объектов с трансформаторными подстанциями (ТП) на среднем и низком напряжении (СН и НН) относительно электропотребителей распределительного устройства низкого напряжения горно-добывающих предприятий [38-40]. Научная новизна предлагаемого метода заключается в разработке и построении логической схемы надежности с учетом элементов каждого вида оборудования, упрощении ее согласно теории надежности с обработкой статистических данных вероятностных характеристик каждого элемента, а также расчету суммарного параметра потока отказов и времени безотказной работы схемы, отличающегося от известных и учитывающего такие элементы схемы сети 0,4 кВ, как низковольтные коммутационные аппараты. Объектом исследования является СЭС цеха вспомогательного производства горно-добывающего предприятия (Кемерово).

Методы

Исследуются возможные виды электрических схем:

  1. Без резервирования.
  2. С резервированием на НН (с установкой резервной перемычки 0,4 кВ).
  3. С резервированием на СН (с установкой разъединителей Рз), без резервирования на НН.
  4. С двойным резервированием на СН и НН.

Результаты исследований по статистике отказов позволяют сделать вывод о соответствии параметров надежности схемы показательному закону распределения [5].

Основными показателями надежности элементов схемы СЭС являются:

  • параметр потока отказов
ω(t)= lim Δt0 Q(t,t+Δt) Δt ,

определяемый вероятностью появления отказа Q(t, Δt) в интервале времени t, Δt;

  • вероятность безотказной (исправной) работы
Q=1Р=1 e ω(t) ;
  • вероятность появления отказа
Q=1Р=1 e ω(t) ;
  • время наработки на отказ
Т нар.отк = 1 ω(t) .

Обсуждение результатов

Исследуются параметры надежности четырех возможных вариантов резервирования схем.

Схема участка сети без резервирования (рис.1, а). На рис.1, б, в представлена структурная схема надежности без резервирования и ее преобразование. Все элементы соединены последовательно, при этом отказ одного любого элемента приводит к потере работоспособности всей системы. Эффективность работы такой схемы зависит, во-первых, от начальных параметров состояния и, во-вторых, от вероятностной последовательности отказов элементов (узлов).

Параметр потока отказов для цепи ИП-нагрузка (рис.1, б, в) для участка схемы без резервирования:

ω без рез = ω 1 + ω 2 + ω 3 + … + ω 20 = ω В 1 + ω Л 1 + ω Т 1 + ω АВ 1 + ω АВ 2 + ω Л 2 + ω АВ 3 + ω ШРс + ω АВ 4 + + ω Л 3 + ω ПМ 1 + ω АВ 5 + ω Л 4 + ω ПМ 2 + ω АВ 6 + ω Л 5 + ω К 1 + ω АВ 7 + ω Л 6 + ω К 2 = = ω В + ω Л 10кВ + ω Т + 7ω АВ + 5ω Л 0,4кВ + ω ШРс + 2ω ПМ + 2ω К .

Параметр потока отказов кабельной линии ωЛ10кВ (СКл-10 кВ) зависит от ее длины и рассчитывается по удельному параметру на 1 км: ωЛ1 = 0,01(100 м/1000 м) = 0,001 откл/год.

Рис.1. Схема участка сети без резервирования (а), логическая схема надежности без резервирования (б) и ее преобразование (в)

Параметр потока отказов кабельной линии ωЛ0,4кВ (АВВГ-0,4 кВ) вычисляется аналогично:

  • для Л2

    ω = 0,026 (10 м/100 м) = 0,0026 откл/год;

  • для Л3...Л6

    ω = 0,026 (5 м/100 м) = 0,0013 откл/год.

В табл.1 показаны основные и расчетные характеристики оборудования (рис.1, а) на основании анализа каталогов продукции компаний электротехнического высоковольтного оборудования и аппаратуры ООО «Высоковольтный союз», кабельно-проводниковой продукции ООО ТД «Ункомтех»; высоковольтного оборудования ООО «ЭЛТЕХКОМ»; электротехнической продукции «КЭАЗ»; электротехнической продукции «Абсолютэнерго»; кабельно-проводниковой продукции «ЭКСПЕРТ-КАБЕЛЬ».

Таблица 1

Технические характеристики оборудования и результаты расчета параметра потока отказов ω для элементов схемы

Элементы

Марка, производитель

ω, откл/год

В1

ВРС-10, ООО «Высоковольтный союз»

0,015

Л1

СКл-10кВ, сечение 70 мм2, длина 100 м, ООО ТД «Ункомтех»

0,001

Т1

ТМ-1600/10/0,4, ООО «ЭЛТЕХКОМ»

0,015

АВ1, АВ2, АВ3

ВА51-39, АО «Курский электроаппаратный завод» («КЭАЗ»)

0,051

АВ4, АВ5, АВ6, АВ7

ВА51-35, «КЭАЗ»

0,051

ШРс

ШРС-1, «Абсолютэнерго»

0,001

Л2

АВВГ-0,4 кВ, сечение 16 мм2, длина 10 м, «ЭКСПЕРТ-КАБЕЛЬ»

0,026

Л3, Л4, Л5, Л6

АВВГ-0,4 кВ, сечение 4 мм2, длина 5 м, «ЭКСПЕРТ-КАБЕЛЬ»

0,0013

ПМ1, ПМ2

ПМЛ-1100, «КЭАЗ»

0,095

К1, К2

КТ-6000, «КЭАЗ»

0,098

Таким образом,

ωбез рез = 0,015 + 0,01 + 0,015 + 7·0,051 + (0,0026 + 4·0,0013) + 0,001 + 2·0,095 + 2·0,098 = 0,7828;

Т нар.отк = 1 ω = 1 0,7828 =1,2775.

Схема участка сети с резервированием на НН (с резервной перемычкой 0,4 кВ) (рис.2). Резервирование представляет способ увеличения надежности работы электроустановок, основанный на замене отказавшего изделия резервным. Основные методы резервирования:

  • Поэлементное (компонентное) – резервирование отдельных компонентов системы (трансформаторов, выключателей, кабельных линий и т.д.).
  • Групповое (модульное) – резервирование функциональных групп оборудования (трансформатор, выключатель, кабельная линия).
  • Общее (системное) – полное дублирование СЭС.

Рис.2. Схема участка сети с резервированием на НН

Для электрической схемы питания первой секции шин с установленной резервной перемычкой (р/пер) на НН (рис.2) логическая схема надежности имеет две последовательные рабочие цепи, соединенные параллельно элементом р/пер (рис.3).

Первый этап включает преобразование последовательных ветвей (рис.3, б).

Параметр потока отказов цепи ИП1-р/пер:

ω ИП 1 -р/пер = ω 1 + … + ω 8 = ω В 1 + ω Л 1 + ω Т 1 + ω АВ 1 + ω АВ 2 + ω Л 2 + ω АВ 3 + ω ШРс = = 0,015 + 0,001 + 0,015 + 3·0,051 + 0,0026 + 0,001 = 0,1876.

Параметр потока отказов параллельной цепи ИП2-р/пер:

ω ИП 2 -р/пер = ω 21 + … + ω 28 + ω р/пер .

В резервную перемычку входят два автоматических выключателя и кабельная линия 0,4 кВ. Параметр потока отказов р/пер:

ω р/пер = ω АВ + ω Л 0,4кВ + ω АВ = 2ω АВ + ω Л 0,4кВ = 2·0,051 + 0,0013 = 0,1033; ω ИП 2 -р/пер = ω В 2 + ω Л 3 + ω Т 2 + ω АВ 4 + ω АВ 5 + ω Л 4 + ω АВ 6 + ω ПРс + ω р/пер = = 0,015 + 0,001 + 0,015 + 3·0,051 + 0,0026 + 0,001 + 0,1033 = 0,2909.

Рис.3. Логическая схема надежности для участка сети с резервированием на НН (а), этапы преобразования: первый (б), второй (в) и третий (г)

Параметр потока отказов цепи р/пер-нагрузка1:

ω р/пер-нагр 1 = ω 9 + … + ω 20 = ω АВ 7 + ω Л 5 + ω ПМ 1 + ω АВ 8 + ω Л 6 + ω ПМ 2 + ω АВ 9 + ω Л 7 + ω К 1 + ω АВ 10 + + ω Л 8 + ω К 2 =4ω АВ + 4ω Л + 2ω ПМ + 2ω К = 4·0,051 + 4·0,0013 + 2·0,095 + 2·0,098 = 0,5952.

Параметр потока отказов параллельной цепи р/пер-нагрузка2:

ω р/пер-нагр 2 = ω 29 + … + ω 40 = 0,5952.

Второй этап представлен на рис.3, в.

Параметр потока отказов цепи ИП1-нагрузка1:

ω ИП 1 -нагр 1 = ω ИП 1 -р/пер + ω р/пер-нагр 1 = 0,1876 + 0,5952 = 0,7828.

Параметр потока отказов параллельной цепи ИП2-нагрузка2:

ω ИП 2 -нагр 2 = ω ИП 2 -р/пер + ω р/пер-нагр 2 = 0,2909 + 0,5952 = 0,8861.

На третьем этапе требуется рассчитать вероятности появления отказа последовательных ветвей. Вероятности безотказной работы цепей:

Р ИП 1 -нагр 1 –0,7828 = 0,4571; Р ИП 2 -нагр 2 –0,8861 = 0,4123.

Вероятности появления отказа цепей:

Q ИП 1 -нагр 1 = 1 –е –0,7828 = 0,5429; Q ИП 2 -нагр 2 = 1 –е –0,8861 = 0,5877.

Третий этап включает преобразование параллельных ветвей ИП1-нагрузка1 и ИП2-нагрузка2.

Вероятность появления отказа схемы для системы из двух параллельно соединенных элементов:

Q схемы =Q ИП 1 -нагр 1 Q ИП 2 -нагр 2 = 0,5429·0,5877 = 0,319.

Вероятность безотказной работы схемы:

Р схемы = 1 –Q схемы = 1 – 0,319 = 0,681.

Зная Pсхемы, можно определить параметр потока отказов для системы из двух параллельно соединенных элементов, а также время наработки на отказ:

ω схемы = –ln Р схемы = –ln 0,681 = 0,3842; Т нар.отк = 1/0,3842 = 2,6028.

Рис.4. Схема с резервированием на СН, без резервирования на НН

Логическая схема с резервированием линии на СН (с установкой разъединителей Рз3 и Рз4), без резервирования на НН. На рис.4 представлен вариант петлевой схемы. В случаях малой мощности ИП, удаленности или неэкономичности источник питания является резервным и включается при отключении питания от основного ИП. В случае равноценных ИП электропитание поступает от каждого источника питания.

При аварии на одной из линий отключается питание электропотребителей данной линии разъединителями Рз3 и Рз4, сохраняется работоспособность смежных участков схемы.

Логико-вероятностная схема надежности (рис.5) содержит две последовательные рабочие цепи (ИП1-нагрузка1, ИП2-нагрузка2), соединенные параллельной ветвью элементов Рз3-Л-Рз4.

Логическая схема надежности и этапы преобразования аналогичны представленным на рис.3.

Резервирование линии СН осуществляется двумя разъединителями Рз3 и Рз4 и кабельной линией Л. Параметр потока отказов р/пер:

ω резерв = ω 45 + ω 46 + ω 47 = ω Р З 3 + ω Л + ω Р З 4 .

Вероятности появления отказа и безотказной работы схемы (рис.5, в):

Q схемы =Q ИП 1 -нагр 1 Q ИП 2 -нагр 2 = 0,5371·0,5773 = 0,31; Р схемы = 1 –Q схемы = 1 – 0,31 = 0,69.

Параметр потока отказов и время наработки на отказ:

ω схемы = –ln Р схемы = –ln 0,69 = 0,3711; Т нар.отк = 1/0,3711 = 2,6947.

Рис.5. Логическая схема надежности для участка сети с резервированием линии СН, без резервирования на НН (а), этапы преобразования: первый (б), второй (в) и третий (г)

Схема участка сети с двойным резервированием (с резервированием на СН и НН, установкой разъединителей Рз3 и Рз4, резервной перемычкой 0,4 кВ). На рис.6 показан участок кольцевой схемы. Кольцевая схема должна быть связана не менее чем с двумя территориально удаленными, независимыми ИП. Кольцевая схема обеспечивает надежное электроснабжение, и при этом учитывается возможное развитие схемы сети с ростом нагрузок отдельных потребителей. Для электропитания потребителей I и II категорий надежности используются петлевые, кольцевые и комбинированные схемы, при этом возможна установка на ТП одного трансформатора (рис.6, Т1, Т2). Для электроснабжения районов с электроприемниками I и II категорий рекомендуется применение комбинированной петлевой схемы, для районов с электроприемниками III категории – петлевой схемы (см. рис.2, 4).

В нормальном режиме кольцевой схемы (рис.6) линия СН разомкнута разъединителями Рз3 и Рз4, и каждый участок схемы питается от ИП независимо. Резервная перемычка 0,4 кВ должна находиться под напряжением при разомкнутом участке СН.

На рис.7 приведена логическая схема надежности схемы с двойным резервированием.

Первый этап преобразования заключается в эквивалентировании последовательных ветвей исходной схемы (рис.7, а):

ω ИП 1 1 = ω 1 + ω 2 ; ω ИП 2 -резерв = ω 23 + ω 24 + ω резерв = ω 23 + ω 24 + ω 45 + ω 46 + ω 47 ; ω Рз 1 -ШРс = ω 3 + ω 4 + ω 5 + ω 6 + ω 7 + ω 8 + ω 9 + ω 10 ; ω Рз 2 -р/пер = ω 25 + ω 26 + ω 27 + ω 28 + ω 29 + ω 30 + ω 31 + ω 32 + ω р/пер = = ω 25 + ω 26 + ω 27 + ω 28 + ω 29 + ω 30 + ω 31 + ω 32 + ω 48 + ω 49 + ω 50 ; ω р/пер-нагр 1 = ω 11 + ω 12 + … + ω 22 ; ω р/пер-нагр 2 = ω 33 + ω 34 + … + ω 44 .

Далее рассчитывается вероятность безотказной работы:

Р ИП 1 1 –ω ИП 1 1 ; Р ИП 2 -резерв –ω ИП 2 -резерв ,

тогда вероятность отказа:

Q ИП 1 1 = 1 –е –ω ИП 1 1 ; Q ИП 2 -резерв = 1 –е –ω ИП 2 -резерв .

Рис.6. Схема участка сети с двойным резервированием на СН и НН

Рис.7. Логическая схема надежности участка сети с двойным резервированием (а), этапы преобразования: первый (б), второй (в), третий (г), четвертый (д), пятый (е)

Вероятность одновременного отказа параллельных элементов ИП11 и ИП2-резерв (рис.7, г), определяется как произведение вероятностей отказа этих элементов

Q * =Q ИП 1 1 Q ИП 2 -резерв .

Вероятность безотказной работы параллельных элементов ИП11 и ИП2-резерв:

Р * =1 –Q ИП 1 1 Q ИП 2 -резерв ,

тогда параметр потока отказов:

ω * =–ln Р * .

Аналогичные расчеты производятся для параллельной ветви Рз1-ШРс и Рз2-р/пер.

После преобразования последовательных элементов схемы (рис.7, д, е) параметр потока отказов:

ω схемы = 0,2794.

Время наработки на отказ:

Т нар.отк = 1/0,2794 = 3,5791.

В табл.2 показаны данные определения параметра потока отказов и времени наработки на отказ (см. рис.1, а, 2, 4, 6).

Таблица 2

Данные определения параметра потока отказов и времени наработки на отказ

Вид резервирования схемы

ωсхемы, откл/год

Тнар.отк, год

Без резервирования

0,78280

1,27750

С подключением р/пер 0,4 кВ

0,38420

2,60280

С подключением р/пер 10 кВ, без р/пер 0,4 кВ

0,37110

2,69470

С р/пер 10 и 0,4 кВ

0,27940

3,57910

Данные табл.2 показывают, что ωсхемы схемы без резервирования равен 0,78280 и уменьшается в 2,04 раза при подключении резервной перемычки 0,4 кВ до значения 0,3842. При резервировании цепи на СН ωсхемы = 0,3711. При двойном резервировании параметр потока отказов схемы уменьшается до значения ωсхемы = 0,2794, что почти в три раза меньше, чем для схемы без резервирования. Полученные результаты доказывают высокую надежность схемы с двойным резервированием при одинаковом количестве присоединений элементов к линии.

Величина времени наработки на отказ Тнар.отк обратно пропорциональна параметру потока отказов схемы ωсхемы. Результаты проведенных исследований показали:

  • отношение Тнар.отк схемы с резервированием на НН к Тнар.отк схемы без резервирования составляет 2,6028 : 1,2775 = 2,0374;
  • отношение Тнар.отк схемы с резервированием на СН к Тнар.отк схемы без резервирования составляет 2,6947 : 1,2775 = 2,1093;
  • отношение Тнар.отк схемы с двойным резервированием к Тнар.отк схемы без резервирования составляет 3,5791 : 1,2775 = 2,8016.

Полученные результаты рекомендованы к использованию для технико-экономического обоснования выбора схем цехового электроснабжения.

Заключение

Для повышения достоверности определения параметров надежности СЭС объектов горно-добывающей промышленности следует учитывать причины возникновения возможных отказов оборудования; профилактические мероприятия (исключение известных причин отказов, оптимизация нагрузочных характеристик оборудования); построение зависимостей между внешними воздействиями и показателями надежности.

Резервирование любых элементов электрооборудования повышает надежность электроснабжения, однако для исследуемого промышленного объекта в Кемерово данное решение предлагается впервые. Аналогичные по виду резервирования схемы применяются для системы собственных нужд ТЭЦ, для которых резервирование на среднем напряжении особенно актуально. В результате проведенных расчетов доказано, что резервирование позволяет увеличить время наработки на отказ в 2,11 раз при резервировании на НН или на СН и в 2,8 раз при двойном резервировании.

Исследования показали, что параметр потока отказов схемы с резервированием на НН (ωсхемы = 0,3842) больше, чем параметр потока отказов для схемы с двойным резервированием на СН и НН (ωсхемы = 0,2794) при одинаковом количестве присоединений элементов к линии. Установлено, что надежность схемы с резервированием значительно выше, чем схемы без резервирования (ωсхемы = 0,7828) при одинаковой нагрузке.

Время наработки на отказ имеет максимальное значение при двойном резервировании схемы (Тнар.отк = 3,5791) и минимальное – для схемы без резервирования (Тнар.отк = 1,2775). Данные расчетов показывают, что Тнар.отк схемы без резервирования в 2,04 и в 2,11 раз меньше, чем для схем с резервированием на НН и на СН соответственно, и в 2,8 раз меньше, чем для схемы с двойным резервированием.

Полученные результаты возможно применять при проектировании и реконструкции СЭС; для технико-экономического обоснования при выборе оптимальных вариантов схем (сравнительный анализ вариантов схем с учетом капитальных и эксплуатационных затрат, расчет экономического эффекта от внедрения систем резервирования, оценка стоимости жизненного цикла оборудования с учетом показателей надежности); при разработке мероприятий по повышению качества и эффективности работы электрооборудования горных предприятий.

Литература

  1. Багаутдинов И.З. Расчет надежности // Теория и практика современной науки. 2017. № 4 (22). С. 96-99.
  2. Ivanova S.P., Pestryaev D.A., Myasnikova T.V., Sveklova O.V. Reliability assessment of switching process control equipment // 2022 4th International Youth Conference on Radio Electronics, Electrical and Power Engineering (REEPE), 17-19 March 2022, Moscow, Russia. IEEE, 2022. 6 p. DOI: 10.1109/REEPE53907.2022.9731393
  3. Скамьин А.Н., Добуш В.С., Шклярский Я.Э., Васильков О.С. Параметры энергосистемы в электротехнических комплексах с нелинейными электрическими нагрузками // Горный информационно-аналитический бюллетень. 2024. № 6. С. 88-104. DOI: 10.25018/0236_1493_2024_6_0_88
  4. Садыков Р.Р. Оценка надежности низковольтных цеховых сетей промышленного электроснабжения // Известия высших учебных заведений. Проблемы энергетики. 2017. Т. 19. № 5-6. С. 98-108. DOI: 10.30724/1998-9903-2017-19-5-6-98-108
  5. Петрова Р.М., Абдуллазянов Э.Ю., Грачева Е.И. и др. Исследование вероятностных характеристик надежности электрооборудования внутрицеховых систем электроснабжения // Вестник Казанского государственного энергетического университета. 2023. Т. 15. № 1 (57). С. 93-105.
  6. Кирпичникова И.М., Шипилов С.С. Обеспечение бесперебойного электроснабжения высокотехнологичных предприятий // Вестник Южно-Уральского государственного университета. Серия «Энергетика». 2022. Т. 22. № 1. С. 55-61. DOI: 10.14529/power220106
  7. Бельский А.А., Глуханич Д.Ю., Иванченко Д.И. Электроснабжение контролируемых телемеханических пунктов линейной части нефтепровода // Известия Тульского государственного университета. Технические науки. 2021. Вып. 4. С. 183-191. DOI: 10.24412/2071-6168-2021-4-183-191
  8. Зацепина В.И., Астанин С.С. Анализ надежности системы электроснабжения с учетом отказоустойчивости релейной защиты // Вестник ТГТУ. 2020. Т. 26. № 4. С. 564-570. DOI: 10.17277/vestnik.2020.04.pp.564-570
  9. Shpiganovich A., Shpiganovich A., Boychevskiy A. Assessment of Reliability of Individual Units Electrical Equipment by Characteristics Power Supply Systems // 2021 3rd International Conference on Control Systems, Mathematical Modeling, Automation and Energy Efficiency (SUMMA), 10-12 November 2021, Lipetsk, Russia. IEEE, 2021. P. 1088-1090. DOI: 10.1109/SUMMA53307.2021.9632126
  10. Абдуллазянов Э.Ю., Грачева Е.И., Ибатуллин Э.Э. и др. Анализ основных показателей промышленнного производства объектов средней мощности // Вестник Казанского государственного энергетического университета. 2023. Т. 15. № 2 (58). С. 93-108.
  11. Токарев И.С. Формирование отраслевой методики расчета параметров системы накопления электроэнергии для объектов газовой промышленности // Записки Горного института. 2025. Т. 272. С. 171-180.
  12. Шпиганович А.Н., Зацепин Е.П. Оценка отказоустойчивости систем электроснабжения промышленных предприятий // Известия Тульского государственного университета. Технические науки. 2018. Вып. 12. С. 29-35.
  13. Changchao Gu, Yihai He, Yi Wei, Xu Ming. Reliability modeling of manufacturing systems based on the task network evolved by key quality characteristics // 2015 First International Conference on Reliability Systems Engineering (ICRSE), 21-23 October 2015, Beijing, China. IEEE, 2015. 5 p. DOI: 10.1109/ICRSE.2015.7366468
  14. Ying Gao, Qiang Dong, Mo Tao et al. Sensitivity-Analysis-Based Reliability Enhancement for Networked Control Systems // 2021 3rd International Conference on System Reliability and Safety Engineering (SRSE), 26-28 November 2021, Harbin, China. IEEE, 2021. P. 113-117. DOI: 10.1109/SRSE54209.2021.00027
  15. Конюхова Е.А. Исследование и анализ надежности схем при сравнении вариантов систем промышленного электроснабжения с двухтрансформаторными подстанциями // Вестник Казанского государственного энергетического университета. 2018. № 4 (40). С. 66-76.
  16. Конюхова Е.А. Оценка показателей надежности схем при выполнении ТЭО варианта электроснабжения объектов // Вестник Казанского государственного энергетического университета. 2018. № 3 (39). С. 34-44.
  17. Шпиганович А.Н., Шпиганович А.А., Петрова Р.М., Грачева Е.И. Исследование отказоустойчивости систем электроснабжения промышленных предприятий // Вестник Казанского государственного энергетического университета. 2024. Т. 16. № 2 (62). С. 94-105.
  18. Yao Cheng, Haitao Liao, Elsayed E.A. From Reliability to Resilience: More Than Just Taking One Step Further // IEEE Transactions on Reliability. 2024. Vol. 73. Iss. 1. P. 42-46. DOI: 10.1109/TR.2023.3330960
  19. Gasparyan A.A., Komarova G.V. Reliability assessment of a technical equipment complex of a monitoring system of parameters for electrical equipment taking into account reserve elements // 2018 IEEE Conference of Russian Young Researchers in Electrical and Electronic Engineering (EIConRus), 29 January 2018 – 01 February 2018, Moscow and St. Petersburg, Russia. IEEE, 2018. P. 632-635. DOI: 10.1109/EIConRus.2018.8317176
  20. Виноградов А.В., Перьков Р.А. Анализ повреждаемости электрооборудования электрических сетей и обоснование мероприятий по повышению надежности электроснабжения потребителей // Вестник НГИЭИ. 2015. № 12 (55). С. 12-21.
  21. Акимов В.А., Мишурный А.В. Аварии на системах электроснабжения: определение индекса приоритета восстановления электроснабжения // Технологии гражданской безопасности. 2022. Т. 19. № 4 (74). С. 44-47. DOI: 10.54234/CST.19968493.2022.19.4.74
  22. Shenggang X., Jin L., Jiale L., Rushan C. Research on Reliability and Working Life Assessment Method of Mechanical and Electrical Products in Weapon Equipment // 2019 4th International Conference on System Reliability and Safety (ICSRS), 20-22 November 2019, Rome, Italy. IEEE, 2019. P. 364-368. DOI: 10.1109/ICSRS48664.2019.8987718
  23. Xueyong Tang, Ning Luo, Xin He et al. Energy Production Element Planning of Integrated Gas and Power systems Considering the Coordination between Economic and Reliability // 2021 6th Asia Conference on Power and Electrical Engineering (ACPEE), 08-11 April 2021, Chongqing, China. IEEE, 2021. P. 1740-1745. DOI: 10.1109/ACPEE51499.2021.9436885
  24. Zhang Ruifeng, Hao Shuqing, Deng Donglin et al. Low Voltage Power Supply Reliability Evaluation of Distribution Network Based on Data Quality Governance // 2020 4th International Conference on Power and Energy Engineering (ICPEE), 19-21 November 2020, Xiamen, China. IEEE, 2020. P. 75-78. DOI: 10.1109/ICPEE51316.2020.9311017
  25. Zehua Li, Dingkang Liang, Jiahao Wang et al. A Data-driven Technique Based on Power System Reliability Assessment // 2023 3rd Power System and Green Energy Conference (PSGEC), 24-26 August 2023, Shanghai, China. IEEE, 2023. P. 576-581.DOI: 10.1109/PSGEC58411.2023.10255984
  26. Bo He, Yong Liang, Jinlong Xie. Research on Power Supply Reliability of Intelligent Distribution Network with Automatic Blocking Evaluation // 2024 IEEE 3rd International Conference on Electrical Engineering, Big Data and Algorithms (EEBDA), 27-29 February 2024, Changchun, China. IEEE, 2024. P. 207-210. DOI: 10.1109/EEBDA60612.2024.10485856
  27. Congcong Pan, Bo Hu, Changzheng Shao et al. Reliability-Constrained Economic Dispatch With Analytical Formulation of Operational Risk Evaluation // IEEE Transactions on Power Systems. 2024. Vol. 39. Iss. 2. P. 4422-4436. DOI: 10.1109/TPWRS.2023.3317973
  28. Чжан Цзысюань, Курносов Р.А., Юй Чжичжэн. Анализ надежности систем электроснабжения шахт Китая // Известия Тульского государственного университета. Технические науки. 2024. Вып. 3. С. 389-396. DOI: 10.24412/2071-6168-2024-3-389-390
  29. Chen Ying, Ma Qichao, Wang Ze, Li Yingyi. Reliability analysis of k-out-of-n system with load-sharing and failure propagation effect // Journal of Systems Engineering and Electronics. 2021. Vol. 32. Iss. 5. P. 1221-1231. DOI: 10.23919/JSEE.2021.000104
  30. Yingying Wang, Vittal V., Khorsand M., Singh C. Composite System Reliability Evaluation With Essential Reliability Services Assessment of Wind Power Integrated Power Systems // IEEE Open Access Journal of Power and Energy. 2020. Vol. 7. P. 403-413. DOI: 10.1109/OAJPE.2020.3029119
  31. Волтковская Н.С., Семенов А.С., Федоров О.В. Энергоэффективность и энергосбережение в системах электроснабжения горнодобывающих предприятий // Вестник ГГТУ им. П.О. Сухого. 2019. № 3. С. 52-62.
  32. Угольников А.В., Макаров Н.В. Применение систем автоматизации для контроля и учета показателей энергоэффективности эксплуатации компрессорного хозяйства горных предприятий // Записки Горного института. 2019. Т. 236. С. 245-248. DOI: 10.31897/PMI.2019.2.245
  33. Ганзуленко О.Ю., Петкова А.П. Энергоэффективность линейного реечного привода штанговых глубинных насосов // Записки Горного института. 2023. Т. 261. С. 325-338.
  34. Бажин В.Ю., Устинова Я.В., Федоров С.Н., Шалаби М.Э.Х. Повышение энергетической эффективности руднотермических печей при плавке алюмокремниевого сырья // Записки Горного института. 2023. Т. 261. С. 384-391.
  35. Выстрчил М.Г., Гусев В.Н., Сухов А.К. Методика определения погрешностей сегментированных GRID моделей открытых горных выработок, построенных по результатам аэрофотосъемки с беспилотного воздушного судна // Записки Горного института. 2023. Т. 262. С. 562-570.
  36. Токарев И.С., Шклярский Я.Э., Андреева Ю.Е., Лаврик А.Ю. Анализ эффективности алгоритма планирования работы электротехнического комплекса с накопителем энергии // Известия Тульского государственного университета. Технические науки. 2024. Вып. 3. С. 334-342. DOI: 10.24412/2071-6168-2024-3-334-335
  37. Шклярский Я.Э., Замятина Е.Н., Замятин Е.О. Влияние показателей качества электроэнергии на энергоэффективность электротехнических комплексов предприятий // Известия Тульского государственного университета. Технические науки. 2020. Вып. 12. С. 400-404.
  38. Skamyin A., Shklyarskiy Y., Gurevich I. Influence of Background Voltage Distortion on Operation of Passive Harmonic Compensation Devices // Energies. 2024. Vol. 17. Iss. 6. № 1342. DOI: 10.3390/en17061342
  39. Singh P., Singh L.K. Reliability and Safety Engineering for Safety Critical Systems: An Interview Study With Industry Practitioners // IEEE Transactions on Reliability. 2021. Vol. 70. Iss. 2. P. 643-653. DOI: 10.1109/TR.2021.3051635
  40. Ying Chen, Yanfang Wang, Song Yang, Rui Kang. System Reliability Evaluation Method Considering Physical Dependency with FMT and BDD Analytical Algorithm // Journal of Systems Engineering and Electronics. 2022. Vol. 33. Iss. 1. P. 222-232. DOI: 10.23919/JSEE.2022.000022

Похожие статьи

Механизм формирования зон микротрещиноватости в образцах пород различных литологических типов при разрушении в условиях объемного напряженного состояния
2026 В. Л. Трушко, М. Д. Ильинов, А. О. Розанов, М. М. Саитгалеев, Д. Н. Петров, Д. А. Карманский, А. А. Селихов
Плавающие биоплато Constructed Floating Wetlands – фитотехнология для очистки сточных вод: опыт применения и перспективы использования
2026 Л. А. Иванова, Е. А. Красавцева, Т. Т. Горбачева
Физико-геологические модели прибрежных территорий по данным петрофизического и электротомографического моделирования
2026 В. В. Глазунов, Ицян Жень, Д. И. Зеликман, В. А. Шевнин
Разработка инженерной методики определения норматива потребления электроэнергии аппаратами воздушного охлаждения
2026 Д. Е. Филимошина
Обоснование оптимальных технико-экономических параметров карьера при этапной разработке рудных крутопадающих месторождений
2026 С. И. Фомин, М. П. Овсянников
Высокоглиноземистые гнейсы чупинской толщи Беломорского подвижного пояса: условия метаморфизма, парциальное плавление и возраст мигматитов
2026 А. В. Юрченко, Ш. К. Балтыбаев, Т. А. Мыскова