Подать статью
Стать рецензентом
Том 272
Страницы:
159-170
Скачать том:
RUS ENG
Научная статья
Энергетика

Тиристорное вольтодобавочное устройство для снижения колебаний напряжения в системах электроснабжения горно-рудных предприятий

Авторы:
Е. Н. Соснина1
А. А. Асабин2
Р. Ш. Бедретдинов3
Е. В. Крюков4
Д. А. Гусев5
Об авторах
  • 1 — д-р техн. наук профессор Нижегородский государственный технический университет им. Р.Е.Алексеева ▪ Orcid ▪ Elibrary ▪ Scopus
  • 2 — канд. техн. наук доцент Нижегородский государственный технический университет им. Р.Е.Алексеева ▪ Orcid
  • 3 — канд. техн. наук доцент Нижегородский государственный технический университет им. Р.Е.Алексеева ▪ Orcid ▪ Elibrary
  • 4 — канд. техн. наук доцент Нижегородский государственный технический университет им. Р.Е.Алексеева ▪ Orcid ▪ Elibrary
  • 5 — младший научный сотрудник Нижегородский государственный технический университет им. Р.Е.Алексеева ▪ Orcid ▪ Elibrary
Дата отправки:
2024-04-11
Дата принятия:
2024-11-07
Дата публикации онлайн:
2025-01-17
Дата публикации:
2025-04-25

Аннотация

Статья посвящена решению проблемы колебаний напряжения в системах электроснабжения горно-рудных предприятий. Подключение мощных электроприемников с резкопеременным режимом работы (например, высоковольтных мегаваттных карьерных экскаваторов) вызывает в распределительной электрической сети 6-10 кВ колебания и провалы напряжения, выводящие из строя электрооборудование, устройства связи и автоматики, что нарушает технологические процессы и др. Использование существующих решений и средств снижения колебаний напряжения, вызванных динамической нагрузкой, неэффективно. Рассматривается возможность использования вольтодобавочных трансформаторов с быстродействующими тиристорными коммутаторами, позволяющих отрабатывать переключение ступеней регулирования в сторону повышения или понижения напряжения. Предложено новое схемотехническое решение тиристорного вольтодобавочного устройства (ТВДУ) с импульсно-фазовым способом управления для определения законов регулирования ТВДУ, позволяющих эффективно снижать колебания напряжения от динамической нагрузки в системах электроснабжения горно-рудных предприятий. Предусмотрены режимы повышения и понижения выходного напряжения ТВДУ, а также базовый режим (без добавки напряжения). В результате математического моделирования процессов регулирования ТВДУ и построения имитационной компьютерной модели электрической сети 6 кВ с динамической нагрузкой установлены законы регулирования выходного напряжения. Определены пределы эффективного регулирования ТВДУ, значения нечетных гармоник которых не превышают нормально допустимых пределов. Проведенные исследования позволят реализовать систему управления устройством.

Область исследования:
Энергетика
Ключевые слова:
горно-рудные предприятия системы электроснабжения динамическая нагрузка колебания напряжения тиристорное вольтодобавочное устройство законы регулирования
Финансирование:

Исследование выполнено за счет гранта Российского научного фонда № 24-29-00872, https://rscf.ru/project/24-29-00872

Перейти к тому 272

Введение

Горнодобывающая промышленность играет важную роль в экономике России [1]. Стратегия развития минерально-сырьевой базы Российской Федерации до 2035 г. включает задачи разработки прогрессивных технологий добычи, транспортировки и переработки полезных ископаемых, строительства новых элементов инфраструктуры. Решение данных задач связано с непрерывным увеличением мощности энергетических установок и повышением потребления электроэнергии.

Электроснабжение горно-рудных предприятий отличается территориальной рассредоточенностью электроприемников [2], непрерывным продвижением фронта горных работ и перемещением потребителей электроэнергии [3, 4]. Подключение мощных электроприемников с резкопеременным режимом работы (например, мегаваттных карьерных экскаваторов) вызывает в электрической сети колебания напряжения, превышающие допустимые значения, что негативно влияет на другие нагрузки [5]. Так, сбой в работе мощных подъемных машин, мельниц самоизмельчения и других нагрузок горнодобывающего производства, чувствительных к колебаниям напряжения, приводит к остановке производственного процесса, авариям и др. Поэтому вопросы разработки технических решений быстродействующих устройств, обеспечивающих снижение колебаний напряжения в электрической сети объектов горно-рудной отрасли, являются актуальными.

К средствам, позволяющим снижать колебания напряжения, можно отнести устройства плавного пуска, статические источники реактивной мощности, установки продольной компенсации, сдвоенные реакторы и др. [6, 7]. Известно, что пусковой ток электродвигателя может восьмикратно превышать номинальный, вызывая механические и электромагнитные ударные нагрузки как на электропривод, так и на исполнительные механизмы [8, 9]. Устройства плавного пуска способны обеспечить плавность нарастания нагрузки [10]. Однако при частых пусках и отключениях привода не исключена ситуация, при которой перегрев устройства плавного пуска и двигателя оказывается критичным.

Компания Siemens Industry Inc. выпускает активные входные преобразователи частоты AFE на основе IGBT-транзисторов для работы драглайна (одноковшовый экскаватор, широко используемый на предприятиях горнодобывающей промышленности) [11]. Несмотря на то, что AFE более устойчивы к возмущениям сети (провалы, колебания напряжения) даже при работе в инвертирующих режимах, эта надежность зависит от динамической реакции схемы управления выпрямителем [12, 13].

Для устранения колебаний и провалов напряжения может быть использован распределенный статический компенсатор (D-STATCOM) [14-16], выполненный на основе инвертора напряжения на управляемых IGBT-транзисторах. D-STATCOM сравнивает форму линейного и опорного сигналов, что обеспечивает правильную меру компенсации запаздывания или опережения реактивной мощности [17]. Однако IGBT-транзисторы имеют меньшую перегрузочную способность по сравнению с тиристорами, поэтому в сети 6-10 кВ более целесообразно применять быстродействующие устройства на тиристорах.

Для снижения колебаний напряжения в шахтных системах электроснабжения разработан новый тип шахтного взрывозащищенного стабилизирующего трансформатора [18]. Компенсирующее напряжение накладывается на напряжение сети через компенсирующий трансформатор, включенный последовательно с линией электроснабжения. Таким образом происходит восстановление отклонения амплитуды напряжения сети в режиме реального времени.

Компанией «Энергетическое оборудование» предложен динамический компенсатор напряжения (ДКИН) – устройство с двойным преобразованием напряжения [19-21] и пофазным управлением. ДКИН построен на базе управляемых выпрямителей, через которые напряжение передается конденсаторам [22, 23]. Выходные зажимы ДКИН подключаются к нагрузке через инверторный блок, состоящий из IGBT-модулей и вольтодобавочный трансформатор, во вторичной обмотке которого наводится ЭДС, компенсирующая провал напряжения [24, 25].

Известна система бесперебойного электроснабжения с применением возобновляемых источников энергии [26] и многоступенчатого устройства автоматического ввода резерва [27]. Однако даже если источником питания горнодобывающего предприятия является достаточно мощная электростанция, для поддержания необходимого уровня короткого замыкания необходимы дополнительные генераторы, что увеличивает эксплуатационные расходы.

Среди подходов и устройств для снижения колебаний напряжения можно выделить и двухтрансформаторную подстанцию с общим двухдиапазонным управляемым регулятором напряжения [28].

Рассмотренные устройства позволяют уменьшить колебания напряжения. Однако их существенным недостатком является дороговизна и сложность схем управления. Поскольку колебания относятся к изменениям напряжения длительностью от полупериода до нескольких секунд, необходимо быстрое реагирование устройства на изменение напряжения для последующего регулирования. В существующих сетях оперативное регулирование напряжения выполняется с помощью электромеханического устройства РПН [29, 30]. Время переключения отводов РПН составляет около 10 с, и устройство не успевает реагировать на колебания напряжения.

Авторами разработано быстродействующее тиристорное вольтодобавочное устройство (ТВДУ) [31], реализующее функцию продольного регулирования, позволяющего с помощью вольтодобавки компенсировать колебания напряжения на шинах потребителя. Актуальность работы обусловлена необходимостью поиска эффективных и малозатратных мероприятий для повышения качества электроснабжения объектов горно-рудной отрасли.

Цель исследований – определить законы регулирования ТВДУ, позволяющие эффективно снижать колебания напряжения от динамической нагрузки в системах электроснабжения горнорудных предприятий.

Методы

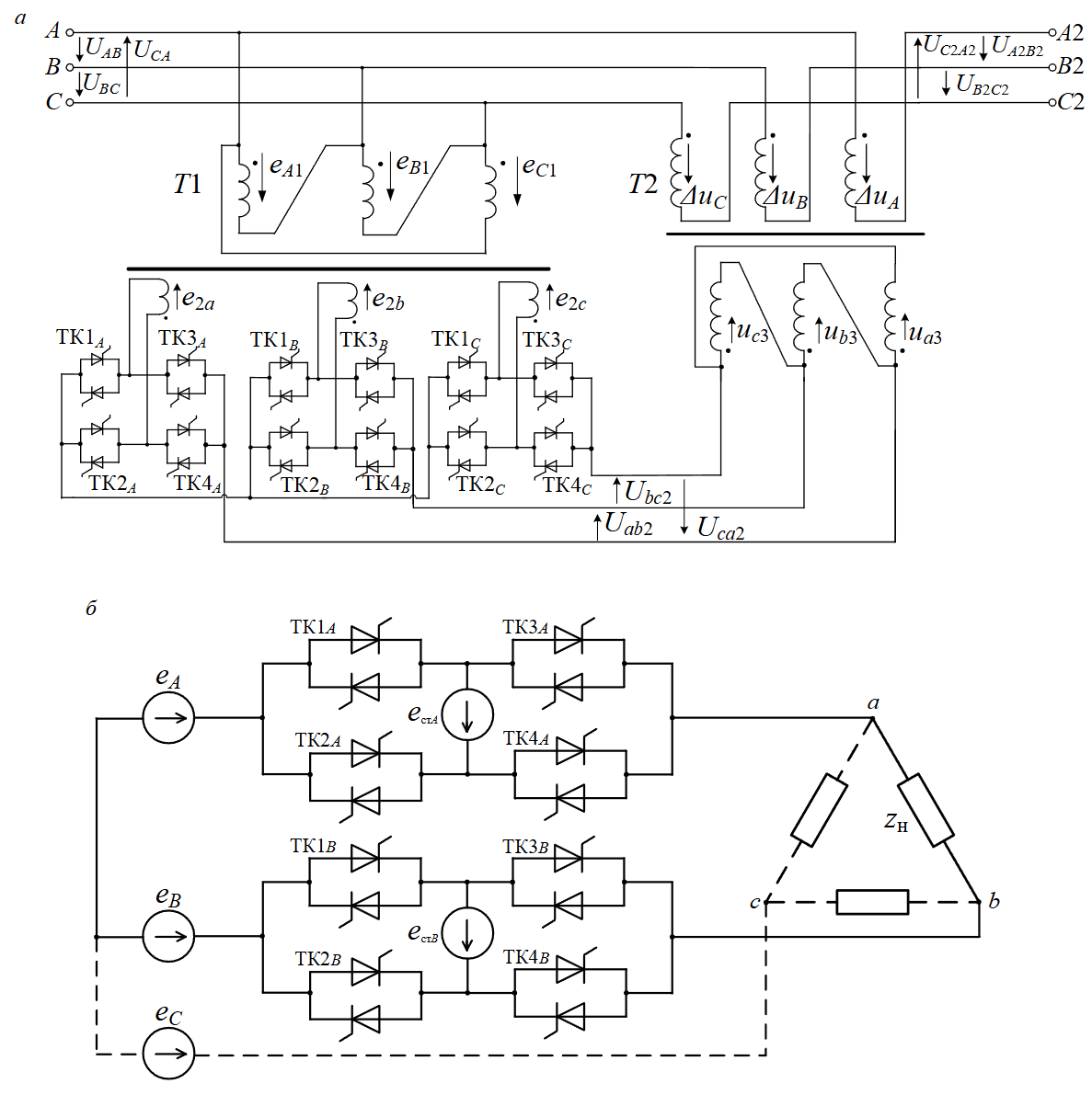
Для проведения исследований необходимо разработать имитационные математическую и компьютерную модели электрической сети с ТВДУ и динамической нагрузкой, позволяющие получить регулировочные характеристики ТВДУ для различных режимов работы устройства и параметров нагрузки. На рис.1 приведены принципиальная электрическая схема и схема замещения разработанного ТВДУ.

Рис.1. Тиристорное вольтодобавочное устройство: а – принципиальная электрическая схема; б – схема замещения T1, Т2 – шунтовый и сериесный трансформаторы; ТК1-ТК4 – модули тиристорного коммутатора фаз А,B и С

В состав ТВДУ входят трехфазный тиристорный коммутатор, трехфазные шунтовый Т1 и сериесный Т2 трансформаторы. Каждая фаза тиристорного коммутатора является мостовым преобразователем с двунаправленными ключами ТК1-ТК4 в каждом плече (рис.1, а). Принцип действия ТВДУ основан на введении добавочного напряжения при изменении амплитуды выходного напряжения устройства относительно входного.

Предусмотрены 32 ступени регулирования для трех основных режимов работы ТВДУ (1 – повышение выходного напряжения; 2 – базовый режим (без добавки напряжения); 3 – понижение выходного напряжения): 16 ступеней соответствуют режиму 1 (0-15 ступени); 16 ступеней – режиму 3 (17-32 ступени); ступень регулирования 16 соответствует базовому режиму 2. Каждая ступень соответствует определенным значениям углов регулирования тиристоров α1 и α2. В зависимости от заданного режима происходит открытие нужного блока встречно-параллельных тиристоров в каждой фазе – ТК1 и ТК4 для режима 1, ТК2 и ТК3 для режима 3. Режим прямой проводимости (базовый) соответствует открытию блоков встречно-параллельных тиристоров ТК2 и ТК4. Время одного переключения ТВДУ составляет около 20 мс, максимальное время переключения всех 32 ступеней регулирования – 1 с.

В режиме 1, когда требуется повысить уровень напряжения на шинах нагрузки, добавляется ЭДС регулировочной ступени eст:

U н = U с + e ст ,

где Uн и Uс – действующие напряжения нагрузки и сети.

В режиме 2 (базовом) ЭДС регулировочной ступени eст исключена из контура тока.

В режиме 3, когда уровень напряжения на нагрузке требуется снизить, справедливо выражение

U н = U с e ст .

Предусмотрено двухзонное регулирование: переход от режима 1 к режиму 2 осуществляется увеличением угла регулирования тиристоров α1 от 0 до 180° при неизменном значении угла регулирования α2 = 180°, а затем уменьшением α2 от 180 до 0° при неизменном α1 = 180°. Такое же поочередное двухзонное регулирование применяется и для плавного перехода из режима 3 к режиму 2.

В систему управления ТВДУ заложены активно-адаптивные алгоритмы, позволяющие устройству работать автоматически. Управление тиристорами ТВДУ предусмотрено импульсно-фазовым способом, обеспечивающим точность и эффективность регулирования напряжения [32]. Применение датчиков тока не требуется, что сохраняет регулировочные свойства ТВДУ при оперативном реагировании на изменение нагрузочных токов.

С помощью ТВДУ в сети 6-10 кВ регулируется линейное напряжение (отсутствует нейтральный провод). Принцип работы ТВДУ на примере регулирования линейного напряжения UAB: в режиме 1 включены ТК1A, ТК4A, ТК1B, ТК4B; в режиме 2 – ТК2A, ТК4A, ТК2B, ТК4B; в режиме 3 – ТК2A, ТК3A, ТК2B, ТК3B.

Преимуществами ТВДУ перед тиристорными регуляторами [33, 34] являются сниженное число модулей тиристорного коммутатора и уменьшенная мощность трансформаторов (что повышает надежность и безопасность работы устройства), а также меньшее искажение кривой выходного напряжения.

Математическое и компьютерное моделирование режимов повышения и понижения напряжения ТВДУ с учетом параметров нагрузки позволит сформировать законы регулирования, которые лягут в основу системы управления устройством в составе электрической сети.

Математическое моделирование режимов работы ТВДУ

Законы изменения напряжения нагрузки (фазных и линейного) при переводе ТВДУ из режима 1 или 3 в базовый режим 2 поочередным изменением углов управления тиристорами α1 (в интервалах положительного направления мощности) и α2 (в интервалах отрицательного направления мощности) подробно описаны в работе [35]. На рис.2 приведен пример диаграмм изменения напряжения нагрузки при переводе ТВДУ из режима 1 в режим 2 путем поочередного изменения углов α1 (рис.2, а) и α2 (рис.2, б).

Анализ работы ТВДУ по построенным диаграммам позволяет математически описать процессы регулирования выходного напряжения ТВДУ и определить основные параметры, оказывающие влияние на поведение регулировочных характеристик устройства, т.е. выявить зависимость действующего значения выходного напряжения от напряжения управления Uупр при различных углах нагрузки.

Рис.2. Мгновенные фазные и линейное напряжения нагрузки в режиме 1 ТВДУ при изменении α1 (а) и α2 (б)

Математические выражения, описывающие регулировочные характеристики, получены с использованием метода припасовывания граничных значений [36, 37]. Метод позволяет описать процессы в кусочно-линейных системах. В каждом интервале времени постоянные интегрирования определяются путем сопряжения уравнений на границах смежных интервалов с помощью первого и второго законов коммутации (условий непрерывности тока в индуктивных элементах и напряжения на конденсаторах) в моменты коммутации. Принятые допущения: не учитываются сопротивления магнитной цепи и обмотки Т2 (рис.1, а); нагрузка активно-индуктивная, линейная. За базисную величину берется амплитуда фазного напряжение сети.

На основе анализа режимов 1 и 3 работы ТВДУ по построенным диаграммам получены мгновенные значения фазных напряжений на стороне нагрузки. Мгновенные значения линейного напряжения нагрузки, подключенной между фазами А и В, определяются по формуле

u л = u Ан u Вн ,(1)

где u Ан , u Вн – мгновенные напряжения нагрузки фаз А и В, отн.ед.

Действующие значения напряжения нагрузки вычисляются по формуле

U д = 1 π 0 π U л 2 dθ ,(2)

где U л – линейное напряжение нагрузки, отн.ед.

Рассмотрен переход ТВДУ из режимов 1 и 3 в режим 2 в интервалах эффективного изменения α1 и α2. Эффективными являются интервалы, обеспечивающие существенное изменение формы и амплитуды напряжения).

Режим 1 ТВДУ в интервале увеличения α1 от 0 до 180° при α2 = 180° = const

Из диаграммы (рис.2, а) видно, что изменение линейного напряжения нагрузки в течение полупериода можно разбить на четыре интервала: φ н α 1 ; α 1 2π 3 + φ н ; 2π 3 + φ н 2π 3 + α 1 ; 2π 3 + α 1 π+ φ н .

Для всех интервалов получены мгновенные значения фазных и линейных напряжений на стороне нагрузки (1).

Мгновенное значение линейного напряжения:

  • для первого интервала
U л1 = U Ан U Вн =sinθ 1+ k ст sin θ 2π 3 ;
  • для второго интервала
U л2 = U Ан U Вн = 1+ k ст sinθ 1+ k ст sin θ 2π 3 ;
  • для третьего интервала
U л3 = U Ан U Вн = 1+ k ст sinθsin θ 2π 3 ;
  • для четвертого интервала
U л4 = U Ан U Вн = 1+ k ст sinθ 1+ k ст sin θ 2π 3 .

Согласно уравнению (2), закон регулирования действующего значения выходного напряжения:

U д = sin 2 α 1 sin 2 φ н +2 φ н α 1 3 k ст +2 k ст 2 +3π 1+ k ст 2 2π .(3)

Аналогично получены выражения для режима 1 ТВДУ в интервале эффективного изменения α2; для режима 3 в интервалах эффективного изменения α1 и α2.

Режим 1 ТВДУ в интервале α2 от 180 до 0° при α1 = 180° = const

Изменения линейного напряжения нагрузки (рис.2, б)  в течение полупериода разбиваются на четыре интервала: 0 α 2 ; 2π 3 2π 3 + α 2 ; 2π 3 + α 2 π .

Мгновенное значение линейного напряжения:

  • для первого интервала
U л1 = U Ан U Вн = 1+ k ст sinθsin θ 2π 3 ;
  • для второго интервала
U л2 = U Ан U Вн =sinθsin θ 2π 3 ;
  • для третьего интервала
U л3 = U Ан U Вн =sinθ 1+ k ст sin θ 2π 3 ;
  • для четвертого интервала
U л4 = U Ан U Вн =sinθsin θ 2π 3 .

Действующее значение напряжения нагрузки

U д = 2 α 1 sin 2 α 2 3 k ст + k ст 2 +3π 2π .(4)

Режим 3 ТВДУ в интервале уменьшения α1 от 180 до 0° при α2 = 180° = const

Изменения линейного напряжения нагрузки, согласно [35], в течение полупериода разбиваются на четыре интервала: от 0 до α1; от α1 до 2π 3 ; от 2π 3 до 2π 3 + α 1 ; 2π 3 + α 1 до π.

Мгновенное значение линейного напряжения:

  • для первого интервала
U л1 = U Ан U Вн =sinθ 1 k ст sinθ θ 2π 3 ;
  • для второго интервала
U л2 = U Ан U Вн = 1 k ст sinθ 1 k ст sin θ 2π 3 ;
  • для третьего интервала
U л3 = U Ан U Вн = 1 k ст sinθsin θ 2π 3 ;
  • для четвертого интервала
U л4 = U Ан U Вн = 1 k ст sinθ 1 k ст sin θ 2π 3 .

 

Действующее значение напряжения нагрузки

U д = 2 α 1 sin 2 α 2 3 k ст 2 k ст 2 +3π 1 k ст 2 2π .(5)

Режим 3 ТВДУ на интервале уменьшения α2 от 180 до 0° при α1 = 180° = const

Изменения линейного напряжения нагрузки, согласно [35], в течение полупериода разбиваются на интервалы: от φн до α2; от α2 до 2π 3 + φ н ; от 2π 3 + φ н до 2π 3 + α 2 ; от 2π 3 + α 2 до π + φн.

Мгновенное значение линейного напряжения:

  • для первого интервала
U л1 = U Ан U Вн = 1 k ст sinθsinθ θ 2π 3 ;
  • для второго интервала
U л2 = U Ан U Вн =sinθsin θ 2π 3 ;
  • для третьего интервала
U л3 = U Ан U Вн =sinθ 1 k ст sin θ 2π 3 ;
  • для четвертого интервала
U л4 = U Ан U Вн =sinθsin θ 2π 3 .

Действующее значение напряжения нагрузки

U д = sin 2 φ н sin 2 α 2 +2 α 2 φ н k ст 2 3 k ст +3π 2π .(6)

Анализ законов регулирования (3)-(6) говорит о влиянии фазового угла нагрузки φн, углов регулирования α1 и α2 и глубины ступени регулирования kст на действующее значение выходного напряжения ТВДУ.

Углы регулирования α1 и α2 зависят от напряжения управления Uупр, диапазон изменения которого составляет от 0 до 2. Таким образом, действующее значение выходного напряжения ТВДУ также зависит и от Uупр. Амплитуда опорного пилообразного напряжения схемы импульсно-фазового управления принимается за базисную величину. При этом в моменты, когда напряжение управления и опорное напряжение равны, происходит формирование импульсов включения тиристоров.

По уравнениям (3)-(6) построены регулировочные характеристики ТВДУ в режимах 1 и 3 при φн = 0°, 30° и 60°. Графики построены при глубине ступени регулирования kст = 0,1 и напряжении сети U = 6000 В.

Имитационное моделирование

В среде моделирования Matlab (Simulink) разработана имитационная модель участка электрической сети 6-10 кВ, позволившая верифицировать и уточнить полученные в ходе математического моделирования регулировочные характеристики ТВДУ. В модели использованы как готовые элементы библиотеки SimPowerSystems,так и маскированные блоки, отсутствующие в стандартной библиотеке. Большая точность расчетов и высокое быстродействие модели ТВДУ обусловлены двухэтапным подходом к решению дифференциальных уравнений (для решения использован метод ode23tb). На первом этапе работает метод Рунге – Кутты, а на втором – метод, в основу которого заложены формулы обратного дифференцирования второго порядка.

Номинальная мощность нагрузки Sн = 630 кВ·А. Мощность, регулируемая в разработанной модели ТВДУ при изменении угла сдвига основной гармоники выходного напряжения относительно входного в интервале ±5° и регулировании выходного напряжения в диапазоне ±14 %, составляет ~20 % от мощности нагрузки. В блоки параметров элементов модели ТВДУ вводятся паспортные значения его силовых элементов (трансформаторов, тиристоров и др.) для моделирования работы устройства в реальных условиях.

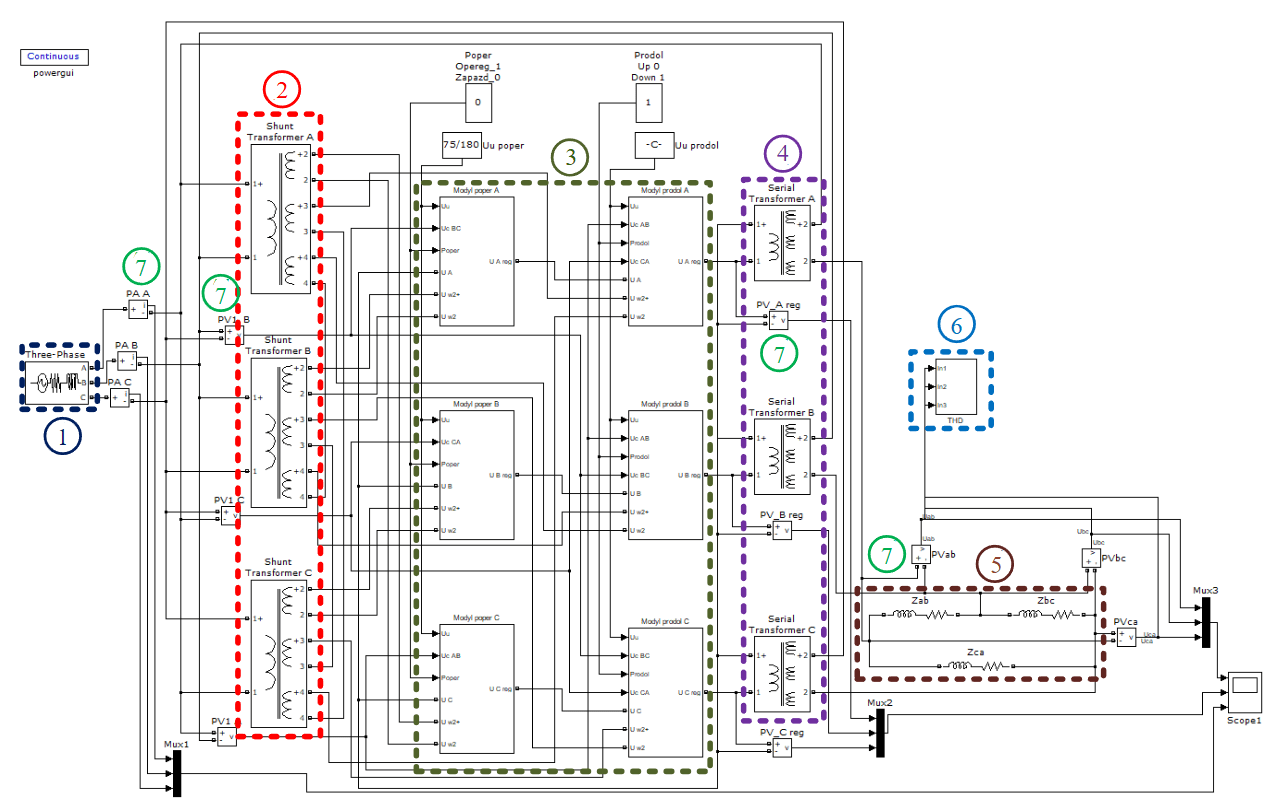
На рис.3 представлена структурная схема имитационной модели участка электрической сети с ТВДУ.

Рис.3. Имитационная модель участка электрической сети с ТВДУ1 – блок трехфазного источника питания (U = 6 кВ; f = 50 Гц; R = 0,231 Ом; L = 0,00368 Гн); 2 – блок шунтового трансформатора (S = 106 кВ·А); 3 – модуль тиристорных коммутаторов; 4 – блок сериесных трансформаторов (S = 3×28 кВ·А); 5 – блок электрической нагрузки (U = 6 кВ; S = 630 кВ·А); 6 – блок измерения высших гармоник (преобразование Фурье); 7 – измерительные приборы

В состав имитационной модели входят семь основных блоков: источник питания (трехфазный источник напряжения); три однофазных шунтовых трансформатора; три однофазных модуля продольного регулирования ТВДУ; три однофазных сериесных трансформатора; трехфазная электрическая нагрузка; измерительные приборы (осциллограф, амперметры и вольтметры); трехфазный измерительный блок параметров линейных напряжений на выходе ТВДУ.

На выходе ТВДУ формируются напряжения, которые совпадают или находятся в противофазе с соответствующими фазными напряжениями. Режим 1 реализуется при совпадении указанных напряжений, а режим 3 – если указанные напряжения находятся в противофазе. Для визуального контроля входных токов, выходных напряжений и ЭДС, вносимых ТВДУ в электрическую сеть, используется трехканальный осциллограф. С помощью имитационной модели построены регулировочные характеристики (действующие значения напряжения) ТВДУ в режимах 1 и 3 для различных углов нагрузки.

Обсуждение результатов

Проведенное исследование регулировочных характеристик ТВДУ, полученных на основе математического и компьютерного моделирования при различных режимах работы устройства и параметрах нагрузки, позволило сформировать для системы управления законы регулирования ТВДУ при его интеграции в электрическую сеть. Примеры регулировочных характеристик ТВДУ в режиме 1 в составе электрической сети, полученной при математическом и имитационном моделировании, приведены на рис.4.

Анализ графиков, полученных при имитационном моделировании, показал, что в режиме повышения напряжения добавка напряжения составляет 551 В (9,4 %). В режиме понижения выходного напряжения амплитуда действующего значения выходного напряжения снижается на 590 В (т.е. на 10 %). В обоих режимах влияние на характер изменения регулировочных характеристик ТВДУ оказывает угол нагрузки.

Эффективное изменение углов регулирования тиристоров α1 и α2 для изменения (рис.4) напряжения нагрузки находится в следующих диапазонах:

φ н α 1 <180°; 0°< α 2 φ н .

Сравнение регулировочных характеристик ТВДУ, полученных с помощью математического и компьютерного моделирования, показало совпадение их характера и формы (рис.5). Зависимости, полученные на имитационной модели, располагаются ниже, чем при математическом моделировании. Это объясняется учетом падения напряжения в линии питающей сети и на силовых элементах ТВДУ, а также учетом коммутационных интервалов, на которых добавленное напряжение равно нулю. Наибольшее отклонение характеристик δ наблюдается для режима 1 при φ = 60° и составляет 3,5 %.

Рис.4. Регулировочные характеристики ТВДУ в режиме 1 в составе электрической сети, полученной при математическом (а) и компьютерном моделировании (б)

Рис.5. Регулировочные характеристики для режима повышения напряжения при φ = 60°: 1 – математическое моделирование; 2 – имитационное моделирование

Рис.6. График зависимости коэффициента нелинейных искажений выходного напряжения ТВДУ

При импульсно-фазовом способе управления тиристорами ТВДУ в электрическую сеть генерируются нечетные гармоники, значения которых не превышают допустимых пределов. Имитационное моделирование позволило получить графики изменения коэффициента нелинейных искажений Kни выходного напряжения ТВДУ в режимах 1 и 3. Пример графика изменения Kни выходного напряжения ТВДУ в режиме 1 при различных коэффициентах мощности нагрузки (cosφн) показан на рис.6.

Из рис.6 можно увидеть, что коэффициент нелинейных искажений Kни выходного напряжения ТВДУ обратно пропорционально зависит от коэффициента мощности нагрузки, т.е. со снижением cosφн Kни повышается. При активной нагрузке (cosφн = 1) Kни принимает наименьшее значение.

Заключение

В результате проведенных исследований получены законы регулирования ТВДУ, позволяющие снижать колебания напряжения внесением в электрическую сеть вольтодобавки. Законы регулирования представляют зависимости действующего значения выходного напряжения ТВДУ от фазового угла нагрузки φн, глубины регулирования ступени напряжения kст, углов регулирования α1 и α2. В зависимости от размаха колебания напряжения автоматически выбирается необходимая ступень регулирования Uупр.

Выражения законов регулирования ТВДУ позволили получить регулировочные характеристики ТВДУ. Пределы регулирования действующего значения выходного напряжения в зависимости от напряжения управления составили ±10 %. Импульсно-фазовый способ управления тиристорами ТВДУ обеспечивает плавное изменение выходного напряжения. В то же время коэффициент гармонических искажений синусоидального напряжения во всем диапазоне зон эффективного регулирования входит в область допустимых значений, установленных ГОСТ 32144-2013.

Внедрение ТВДУ в электрическую сеть горно-рудных предприятий позволит повысить надежность электроснабжения и увеличить пропускную способность ЛЭП.

Литература

  1. Андреев Д.В. Роль горной промышленности в экономике страны // Московский экономический журнал. 2020. № 12. С. 175-185. DOI: 10.24411/2413-046X-2020-10870
  2. Назарычев А.Н., Устинов Д.А., Пеленев Д.Н., Бабырь К.В. Исследование защиты от однофазных замыканий на землю, основанной на измерении тока обратной последовательности // Электричество. 2024. № 2. С. 31-41. DOI: 10.24160/0013-5380-2024-2-31-41
  3. Скамьин А.Н., Добуш В.С., Жопри М.Х. Определение сопротивления электрической сети при расчете режимов с искажениями в напряжении // Записки Горного института. 2023. Т. 261. С. 443-454. DOI: 10.31897/PMI.2023.25
  4. Abdallah W.J., Hashmi K., Faiz M.T. et al. A Novel Control Method for Active Power Sharing in Renewable-Energy-Based Micro Distribution Networks // Sustainability. 2023. Vol. 15. Iss. 2. № 1579. DOI: 10.3390/su15021579
  5. Yaghoobi J., Abdullah A., Kumar D. et al. Power Quality Issues of Distorted and Weak Distribution Networks in Mining Industry: A Review // IEEE Access. 2019. Vol. 7. P. 162500-162518. DOI: 10.1109/ACCESS.2019.2950911
  6. Chun-Hsi Su, Yian-Ting Chen. A Remote-Controllable Variable Frequency Drive // Sixth International Symposium on Computer, Consumer and Control (IS3C), 30 June – 3 July 2023, Taichung, Taiwan. IEEE, 2023. P. 292-294. DOI: 10.1109/IS3C57901.2023.00084
  7. Токарев И.С. Формирование отраслевой методики расчета параметров системы накопления электроэнергии для объектов газовой промышленности // Записки Горного института. 2024. С.1-10 (Online first).
  8. Sinvula R., Abo-Al-Ez K.M., Kahn M.T. Harmonic Source Detection for an Industrial Mining Network with Hybrid Wind and Solar Energy Systems // Control and Operation of Grid-Connected Wind Energy Systems. Cham: Springer, 2021. P. 153-192. DOI: 10.1007/978-3-030-64336-2_7
  9. Ле Ван Тунг. Структура и алгоритмы управления электроприводом конвейеров для повышения энергоэффективности их работы на горнодобывающих предприятиях: Автореф. дис. … канд. техн. наук. СПб: Санкт-Петербургский горный университет, 2021. 20 с.
  10. Волотковская Н.С., Семенов А.С., Федоров О.В. Энергоэффективность и энергосбережение в системах электроснабжения горнодобывающих предприятий // Вестник Гомельского государственного технического университета имени П.О.Сухого. 2019. № 3. С. 52-62.
  11. Morán L., Espinoza J., Burgos R. Voltage regulation in mine power distribution systems: Problems and solutions // IEEE Industry Application Society Annual Meeting, 5-9 October 2014, Vancouver, BC, Canada. IEEE, 2014. 7 p. DOI: 10.1109/IAS.2014.6978453
  12. Sukanth T., Jayanthu S., Jayalaxmi A. Mitigation of power quality problem in underground mine using different control strategies // IEEE Region 10 Humanitarian Technology Conference (R10-HTC), 21-23 December 2016, Agra, India. IEEE, 2016. 4 p. DOI: 10.1109/R10-HTC.2016.7906798
  13. Serebryannikov S.V., Serebryannikov S.S., Kovalchuk V.G. et al. Electromagnetic Parameters of the Ferrite Materials for Electromagnetic Compatibility // Radiation and Scattering of Electromagnetic Waves (RSEMW), 26-30 June 2023, Divnomorskoe, Russia. IEEE, 2023. P. 316-319. DOI: 10.1109/RSEMW58451.2023.10201985
  14. Negi P., Pal Y., Leena G. A Review of Various Topologies and Control Schemes of DSTATCOM Implemented on Distribution Systems // Majlesi Journal of Electrical Engineering. 2017. Vol. 11. № 1. P. 25-35.
  15. Salkuti S.R. An efficient allocation of D-STATCOM and DG with network reconfiguration in distribution networks // International Journal of Advanced Technology and Engineering Exploration. 2022. Vol. 9. Iss. 88. P. 299-309. DOI: 10.19101/IJATEE.2021.874812
  16. Xuefeng Wang, Li Peng. Dynamic Voltage Equalization Control of D-STATCOM Under Unbalanced Grid Faults in a Low-Voltage Network // IEEE Transactions on Power Electronics. 2023. Vol. 38. Iss. 2. P. 2384-2397. DOI: 10.1109/TPEL.2022.3213405
  17. Dash S.K., Mishra S., Abdelaziz A.Y. A Critical Analysis of Modeling Aspects of D-STATCOMs for Optimal Reactive Power Compensation in Power Distribution Networks // Energies. 2022. Vol. 15. Iss. 19. № 6908. DOI: 10.3390/en15196908
  18. Малафеев С.И., Серебренников Н.А. Повышение энергетической эффективности карьерных экскаваторов на основе модернизации электрооборудования и систем управления // Уголь. 2018. № 10. С. 30-35. DOI: 10.18796/0041-5790-2018-10-30-34
  19. Mohite S., Jape V.S., Bankar D.S. Power Quality Problems Mitigation by DVR Using SC Structured Cascaded MPAC // Proceedings of the 1st International Conference on Data Science, Machine Learning and Applications. Springer, 2019. Vol. 601. P. 796-804. DOI: 10.1007/978-981-15-1420-3_86
  20. Seershak M., Muhammed Ramees M.K.P. Power Quality Improvement Using ZSI-DVR // International Conference on Futuristic Technologies in Control Systems & Renewable Energy (ICFCR), 21-22 July 2022, Malappuram, India. IEEE, 2022. 6 p. DOI: 10.1109/ICFCR54831.2022.9893660
  21. Jape V.S., Kulkarni H.H., Lokhande N.M., Ubale D. Observations and Analysis of Power Quality Indices Using Custom Power Devices in Power Distribution Network // Information and Communication Technology for Competitive Strategies (ICTCS 2021), 17-18 December 2021, Rajasthan, India. Springer, 2021. Vol. 401. P. 121-130. DOI: 10.1007/978-981-19-0098-3_13
  22. Amarendra A., Srinivas L.R., Rao R.S. Contingency Analysis in Power System- Using UPFC and DVR Devices with RDOA // Technology and Economics of Smart Grids and Sustainable Energy. 2022. Vol. 7. Iss. 1. № 17. DOI: 10.1007/s40866-022-00129-y
  23. Kandil T., Ahmed M.A. Control and Operation of Dynamic Voltage Restorer With Online Regulated DC-Link Capacitor in Microgrid System // Canadian Journal of Electrical and Computer Engineering. 2020. Vol. 43. Iss. 4. P.331-341. DOI: 10.1109/CJECE.2020.3002855
  24. Бахтеев К.Р. Повышение эффективности функционирования систем централизованного и автономного электроснабжения путем комплексного применения электрохимических накопителей энергии, малой генерации и форсировки возбуждения синхронных машин: Автореф. дис. … канд. техн. наук. Казань: Казанский государственный энергетический университет, 2019. 24 с.
  25. Yerbayev Y., Artyukhov I., Zemtsov A. et al. Negative Impact Mitigation on the Power Supply System of a Fans Group with Frequency-Variable Drive // Energies. 2022. Vol. 15. Iss. 23. № 8858. DOI: 10.3390/en15238858
  26. Jahromi M.G., Mirzaeva G., Mitchell S.D., Gay D. Powering Mobile Mining Machines: DC Versus AC Power // IEEE Industry Applications Magazine. 2016. Vol. 22. Iss. 5. P. 63-72. DOI: 10.1109/MIAS.2015.2459082
  27. Абрамович Б.Н. Система бесперебойного электроснабжения предприятий горной промышленности // Записки Горного института. 2018. Т. 229. С. 31-40. DOI: 10.25515/PMI.2018.1.31
  28. Табаров Б.Д., Соловьев В.А., Иванов В.И. Двухтрансформаторная подстанция с общим двухподдиапазонным управляемым регулятором напряжения // Электричество. 2024. № 4. С. 74-84. DOI: 10.24160/0013-5380-2024-4-74-84
  29. Hem P., Heang S., Eam D. et al. Service Restoration in Distribution Systems with a Load Tap Changer // International Electrical Engineering Congress (iEECON), 9-11 March 2022, Khon Kaen, Thailand. IEEE, 2022. 4 p. DOI: 10.1109/iEECON53204.2022.9741590
  30. Dyussembekova N., Schütt R., Leiße I., Ralfs B. Decision Process for Identifying Appropriate Devices for Power Transfer between Voltage Levels in Distribution Grids // Energies. 2024. Vol. 17. Iss. 9. № 2158. DOI: 10.3390/en17092158
  31. Патент № 2813363 РФ. Тиристорное вольтодобавочное устройство продольного регулирования напряжения / А.А.Асабин, Е.Н.Соснина, А.А.Кралин, Е.В.Крюков, Р.Ш.Бедретдинов, Д.А.Гусев. Опубл. 12.02.2024. Бюл. № 5.
  32. Патент № 2450420 РФ. Полупроводниковое фазоповоротное устройство / В.П.Жмуров, В.Н.Стельмаков, А.Н.Тарасов, А.Л.Тимошенко, И.И.Казеннова. Опубл. 10.05.2012. Бюл. № 13.
  33. Патент № 157116 РФ. Полупроводниковое фазоповоротное устройство / Р.Ш.Бедретдинов, С.Я.Верховский, Е.Н.Соснина, Д.А.Кисель, А.А.Асабин, А.И.Гардин. Опубл. 20.11.2015. Бюл. № 32.
  34. Asabin A., Sosnina E., Belyanin I. et al. Control System of the Thyristor Voltage Regulator // 7th International Conference on Control, Decision and Information Technologies (CoDIT), 29 June – 2 July 2020, Prague, Czech Republic. IEEE, 2020. P. 802-806. DOI: 10.1109/CoDIT49905.2020.9263984
  35. Крюков Е.В. Применение тиристорных вольтодобавочных устройств для повышения качества электроэнергии в системах электроснабжения: Автореф. дис. … канд. техн. наук. Нижний Новгород: Нижегородский государственный технический университет им. Р.Е.Алексеева, 2018. 18 с.
  36. Белов Г.А., Малинин Г.В. Векторно-матричный метод расчета переходных процессов в резонансном преобразователе постоянного напряжения типа LCL-T // Практическая силовая электроника. 2020. № 1 (77). С. 28-37.
  37. Умаров Ш.Б. Сравнительный анализ двух способов моделирования вентильных преобразовательных устройств // Universum: технические науки. 2023. № 11 (116). Ч. 6. С. 13-18. DOI: 10.32743/UniTech.2023.116.11.16253

Похожие статьи

Определение касательной составляющей сопротивления резанию мерзлых осадочных пород по блокированной, глубокоблокированной и сотовой схемам
2025 С. А. Шемякин, Е. А. Шишкин
Геохимическая характеристика кор выветривания на увале Джежимпарма и Немской возвышенности (Южный Тиман)
2025 О. В. Гракова, Н. Ю. Никулова, Ю. С. Симакова
Анализ трансформации напряженного состояния горных пород вблизи горизонтальной скважины при проведении кислотной обработки на основе метода численного моделирования
2025 С. Н. Попов, С. Е. Чернышов, Ксяопу Ванг
Загрязнение ртутью речных отложений водораздела реки Сиухунь в Индонезии: вклад кустарной мелкомасштабной добычи золота
2025 Вилли К. Нуграха, Хуйхо Чон, Фан Динь Куан, Рэнди Новирса, Томохиро Коморита, Ясухиро Исибаси, Дзюн Кобаяси, Кодзи Аризоно, Асеп Баю Дани Нандиянто
Сравнительный анализ фракционирования изотопов азота и углерода при образовании алмаза на основе определения β-факторов
2025 Д. П. Крылов
Государственно-частное партнерство в минерально-сырьевом комплексе РФ: как реализовать классическую модель?
2025 С. М. Лавлинский, А. А. Панин, А. В. Плясунов